Svenska 3D-Tåg - Forum  
 

Om det här är ditt första besök, se till att gå till vår FAQ (finns även länk till FAQ i navigeringsmenyn ovan). Du kan behöva att registrera dig innan du kan posta (finns även en länk till registrering i navigeringsmenyn ovan). För att titta på inlägg, välj det forum som du vill besöka från de som är listade nedan.

Gå tillbaka   Svenska 3D-Tåg - Forum > Microsoft Trainsimulator / Open Rails > Landskapsdesign - MSTS / Open Rails

Svara
 
Ämnesverktyg Visningsalternativ
Gammal 2011-04-07, 06:59   #271
lukas
Medlem
 
Reg.datum: Nov 2006
Inlägg: 1 055
Standard

Citat:
Ursprungligen postat av Remy Visa inlägg
Jeg ser at jeg hadden skrive feil jeg veit at spor 1 og 2 fra veksel til veksel er lang nok men jeg tenkte mest på platform 2 som er kort om du ikke endrer det så er ikke det noe krise jorda går ikke under for det
på bilde 1 så er loket helt i enden av perongen mens vogn 7 står da utenfor med en dør
på bilde 2 så er vogn 7 så å si kant ikant med platform da er lok og litt av vogn 1 ute fra perongen men som sagt om du ikke endrer det så er det ikke noe krise (dette er vogn sammen setnigne til Tog 80)
Hei :-)

Hvordan klarer du å få spormonitoren (F4) gjennomsiktig ?
lukas besöker inte forumet just nu   Svara med citat
Gammal 2011-04-07, 07:02   #272
lukas
Medlem
 
Reg.datum: Nov 2006
Inlägg: 1 055
Standard

Citat:
Ursprungligen postat av jkriste2 Visa inlägg
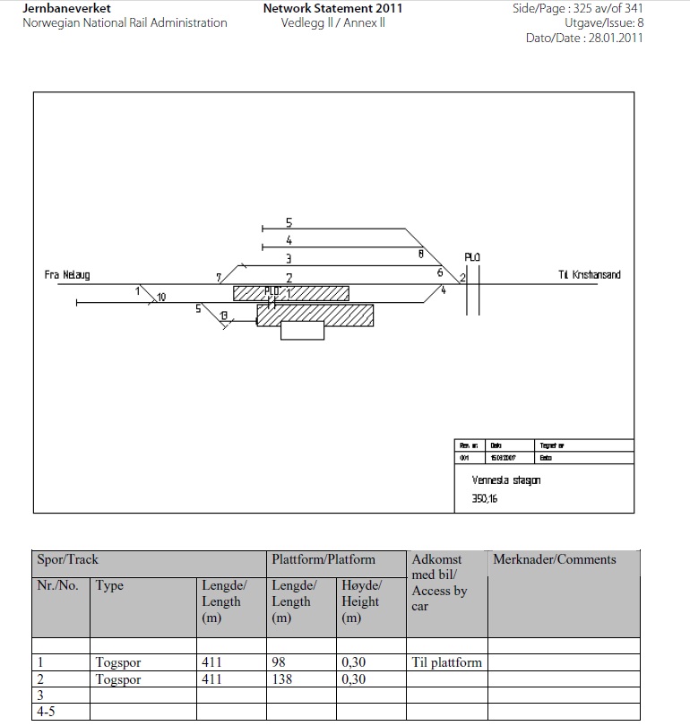
Platformene på Vennesla er ikke lengre en 98m og 138m.
Så jeg kommer ikke til å forlenge disse.
Jeg syntes ikke detaljene er så ekstremt viktigt at det blir pirk av det. Ruta er kjempefin og jeg er kjempefornøyd med den slik den er :-))))))

Stå på Jan:-)))
lukas besöker inte forumet just nu   Svara med citat
Gammal 2011-04-07, 16:44   #273
Remy
Medlem
 
Reg.datum: Apr 2007
Ort: Oslo
Inlägg: 302
Skicka ett meddelande via MSN till Remy
Standard

Citat:
Ursprungligen postat av jkriste2 Visa inlägg
Platformene på Vennesla er ikke lengre en 98m og 138m.
Så jeg kommer ikke til å forlenge disse.
Nå veit jeg ikke hvor du har den info fra jeg har snust litt og sendt en E-post til JBV og der fikk jeg følgende svar "Mellomplattforma er 139m og sideplattforma er 220m" jeg fant en annen nytig info også bare ved å søke på JBV så fikk jeg vite følgende info om Vennesla "Vennesla stasjon fikk ny plattform og oppgraderte utearealer i 2010."
for å være snill mot deg så har jeg sendt en mail til jbv for resterende stasjoner på Sørlandbanen fra Stavanger til Nordagutu og da har jeg bare tatt de stasjonen som det stopper tog på
__________________
MVH
Remy
Scania V8 og snute er likke sexy som Nohaben med snute
Remy besöker inte forumet just nu   Svara med citat
Gammal 2011-04-07, 16:45   #274
Remy
Medlem
 
Reg.datum: Apr 2007
Ort: Oslo
Inlägg: 302
Skicka ett meddelande via MSN till Remy
Standard

Citat:
Ursprungligen postat av lukas Visa inlägg
Hei :-)

Hvordan klarer du å få spormonitoren (F4) gjennomsiktig ?
jeg bruker bare MSTS Bin ikke noe mer en det
__________________
MVH
Remy
Scania V8 og snute er likke sexy som Nohaben med snute

Senast redigerad av Remy den 2011-04-07 klockan 16:49.
Remy besöker inte forumet just nu   Svara med citat
Gammal 2011-04-07, 20:05   #275
jkriste2
Medlem
 
Reg.datum: Aug 2002
Ort: ,Drammen , Norway.
Inlägg: 697
Standard

Her har jeg hentet info om stasjonene.
Og det er dette jeg bruker og ikke noe annet og slik blir det i fortsetningen.
http://www.comitato.com/V2/3-6-1-2.pdf
Bifogade bilder
 
__________________
MVH Jan Kristensen
Har bygd Drammen-Kongsberg
Har bygd VBSR 1, 2, 3, 4 ruten
Klar til Stavanger og Gardermoen, VBSR 5 med hjep fra Bønan
Klar til Hamar, VBSR 6 av Bønan
Klar til Trondheim VBSR 7
Klar til Bergen VBSR8

Senast redigerad av jkriste2 den 2011-04-07 klockan 20:29.
jkriste2 besöker inte forumet just nu   Svara med citat
Gammal 2011-04-07, 22:21   #276
Remy
Medlem
 
Reg.datum: Apr 2007
Ort: Oslo
Inlägg: 302
Skicka ett meddelande via MSN till Remy
Standard

den er ok
kommer du til å sette opp et gjerde på Grovane stasjon platform1 som jeg ser at du mangler??
__________________
MVH
Remy
Scania V8 og snute er likke sexy som Nohaben med snute
Remy besöker inte forumet just nu   Svara med citat
Gammal 2011-04-07, 22:57   #277
jkriste2
Medlem
 
Reg.datum: Aug 2002
Ort: ,Drammen , Norway.
Inlägg: 697
Standard

Citat:
Ursprungligen postat av Remy Visa inlägg
den er ok
kommer du til å sette opp et gjerde på Grovane stasjon platform1 som jeg ser at du mangler??
Ja det kommer jeg til å gjøre på den nye utgaven.
__________________
MVH Jan Kristensen
Har bygd Drammen-Kongsberg
Har bygd VBSR 1, 2, 3, 4 ruten
Klar til Stavanger og Gardermoen, VBSR 5 med hjep fra Bønan
Klar til Hamar, VBSR 6 av Bønan
Klar til Trondheim VBSR 7
Klar til Bergen VBSR8
jkriste2 besöker inte forumet just nu   Svara med citat
Gammal 2011-04-09, 17:51   #278
Remy
Medlem
 
Reg.datum: Apr 2007
Ort: Oslo
Inlägg: 302
Skicka ett meddelande via MSN till Remy
Standard

Hei
på Helldalsmo hp må du øke høyden på kl masta den var vel litt for lavt der sender med med et bilde som da er tatt i retning Nelaug
Bifogade bilder
 
__________________
MVH
Remy
Scania V8 og snute er likke sexy som Nohaben med snute
Remy besöker inte forumet just nu   Svara med citat
Gammal 2011-04-09, 22:46   #279
jkriste2
Medlem
 
Reg.datum: Aug 2002
Ort: ,Drammen , Norway.
Inlägg: 697
Standard

Citat:
Ursprungligen postat av Remy Visa inlägg
Hei
på Helldalsmo hp må du øke høyden på kl masta den var vel litt for lavt der sender med med et bilde som da er tatt i retning Nelaug
Den er alerede rettet da jeg så det etter at VBSR4 var lagt ut.
Ellers takk for tipset Remy.
__________________
MVH Jan Kristensen
Har bygd Drammen-Kongsberg
Har bygd VBSR 1, 2, 3, 4 ruten
Klar til Stavanger og Gardermoen, VBSR 5 med hjep fra Bønan
Klar til Hamar, VBSR 6 av Bønan
Klar til Trondheim VBSR 7
Klar til Bergen VBSR8
jkriste2 besöker inte forumet just nu   Svara med citat
Gammal 2011-04-09, 22:59   #280
bönan
Veteran
 
Reg.datum: Jul 2008
Ort: Fagersta
Inlägg: 5 543
Standard

Det har du kanske också rättat till, men ändå. När man kör från Kristiansand mot Oslo, så är den första tunneln på linjen inte riktigt som den ska. Ser ut som att du har glömt att "göra hål" på berget.
__________________
Mvh Björn

Tågklarerare, Fagersta Central, Nora, Smedjebacken och Mora
bönan besöker inte forumet just nu   Svara med citat
Gammal 2011-04-10, 02:07   #281
jkriste2
Medlem
 
Reg.datum: Aug 2002
Ort: ,Drammen , Norway.
Inlägg: 697
Standard

Citat:
Ursprungligen postat av bönan Visa inlägg
Det har du kanske också rättat till, men ändå. När man kör från Kristiansand mot Oslo, så är den första tunneln på linjen inte riktigt som den ska. Ser ut som att du har glömt att "göra hål" på berget.
Takk for tipset Bønan skal se å få rettet det. Det er nok en transfer som er blitt litt for stor.
__________________
MVH Jan Kristensen
Har bygd Drammen-Kongsberg
Har bygd VBSR 1, 2, 3, 4 ruten
Klar til Stavanger og Gardermoen, VBSR 5 med hjep fra Bønan
Klar til Hamar, VBSR 6 av Bønan
Klar til Trondheim VBSR 7
Klar til Bergen VBSR8
jkriste2 besöker inte forumet just nu   Svara med citat
Gammal 2011-04-10, 09:09   #282
NorwegianTrainz
Medlem
 
Reg.datum: Nov 2010
Ort: Nordland, Norway
Inlägg: 92
Standard

Hvor for man tak i Meny Kafé-vogna i B7-version? PS: Elsker den nye VBSR!
__________________
Hilsen Thomas
NorwegianTrainz besöker inte forumet just nu   Svara med citat
Gammal 2011-04-10, 10:01   #283
bönan
Veteran
 
Reg.datum: Jul 2008
Ort: Fagersta
Inlägg: 5 543
Standard

Citat:
Ursprungligen postat av NorwegianTrainz Visa inlägg
Hvor for man tak i Meny Kafé-vogna i B7-version? PS: Elsker den nye VBSR!
Det är väl FR7? Ingenstans just nu, de fanns på trainsim.no, men efter att sidan tyvärr stängde så finns de ingenstans att ladda ner. Men de ska komma upp på banbyggarna.se, har jag hört.
__________________
Mvh Björn

Tågklarerare, Fagersta Central, Nora, Smedjebacken och Mora
bönan besöker inte forumet just nu   Svara med citat
Gammal 2011-04-11, 00:27   #284
Remy
Medlem
 
Reg.datum: Apr 2007
Ort: Oslo
Inlägg: 302
Skicka ett meddelande via MSN till Remy
Standard

Citat:
Ursprungligen postat av NorwegianTrainz Visa inlägg
Hvor for man tak i Meny Kafé-vogna i B7-version? PS: Elsker den nye VBSR!
Her har du NSB 7 Serie
Bifogade filer
Filtyp: zip NSB 7 serie.zip (2.88 MB, 577 visningar)
__________________
MVH
Remy
Scania V8 og snute er likke sexy som Nohaben med snute
Remy besöker inte forumet just nu   Svara med citat
Gammal 2011-04-11, 07:08   #285
NorwegianTrainz
Medlem
 
Reg.datum: Nov 2010
Ort: Nordland, Norway
Inlägg: 92
Standard

Tusen takk, nå skal jeg kjøre litt VBSR med de nye vognene
__________________
Hilsen Thomas
NorwegianTrainz besöker inte forumet just nu   Svara med citat
Svara


Regler för att posta
Du får inte posta nya ämnen
Du får inte posta svar
Du får inte posta bifogade filer
Du får inte redigera dina inlägg

BB-kod är
Smilies är
[IMG]-kod är
HTML-kod är av
Forumhopp



Alla tider är GMT +2. Klockan är nu 11:00.


Powered by vBulletin® Version 3.7.5
Copyright ©2000 - 2026, Jelsoft Enterprises Ltd.
Svensk översättning av: Anders Pettersson
© Svenska 3D-Tåg 2001-2009